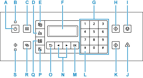
Kontrolpanel

- A: Knappen TIL (ON)
-
Tænder og slukker for strømmen. Inden der tændes for strømmen, skal man kontrollere, at dokumentdækslet er lukket.
- B: TIL (ON)-lampen
- Lyser efter at have blinket, når strømmen tændes.
- C: Knappen MENU
- Viser skærmbilledet Kopimenu (Copy menu), Scanner-menu (Scan menu) eller Faxmenu (Fax menu).
- D: Knappen SCAN
- Skifter til printerens scanningstilstand.
- E: Knappen KOPI (COPY)
- Skifter til printerens kopitilstand.
- F: LCD (Liquid Crystal Display)
- Viser meddelelser, menupunkter og driftsstatus.
- G: Numeriske knapper
- Bruges til at angive talværdier såsom antal kopier og fax-/telefonnumre og tegn.
- H: Sort (Black)-knap
- Starter kopiering, scanning, faxning osv. i sort/hvid.
- I: Stop-knap
- Annullerer handlinger, når et udskrivnings-, scannings- eller faxoverførsels-/modtagelsesjob er i gang.
- J: Alarm-indikator
- Tændes eller blinker, når der opstår en fejl.
- K: Farve (Color)-knap
- Starter kopiering, scanning, faxning osv. i farver.
- L: Knappen Tone
- Skifter midlertidigt til toneopkald, hvis din printer er tilsluttet en drejeskivetelefon (puls).
- M: OK-knap
- Afslutter valget af en menu eller et indstillingselement. Denne knap bruges også til at løse en fejl eller skubbe dokumenter ud af ADF (Automatisk dokumentføder).
- N: Knapperne
og 
-
Bruges til at vælge et indstillingselement. Disse knapper bruges også til at indtaste tegn.
- O: Tilbage (Back)-knap
- LCD-displayet vender tilbage til forrige skærmbillede.
- P: Knappen Opsætning (Setup)
- Viser skærmbilledet Opsætningsmenu (Setup menu). Via denne menu kan du udføre vedligeholdelse af printeren og ændre printerindstillinger. Bruges også til at vælge inputtilstand.
- Q: Knappen FAX
- Skifter til printerens faxtilstand.
- R: Trådløs forbindelse (Wireless connect)-knap
- Hold denne knap nede for at indstille oplysninger om den trådløse router på printeren direkte fra en smartphone eller en lignende enhed (uden at gøre skulle gøre noget på routeren).
- S: Lampen Faxhukommelse (FAX Memory)
- Lyser, når der er modtaget dokumenter, eller når der er ikke-sendte dokumenter, som er gemt i printerens hukommelse.

